ATEX pneumatska lančana dizalica 60/125kg – ENDO ATC serija
- ATEX lančana pneumatska dizalica
- komande integrirane na donju kuku
- proizvedena u Japanu
- naziv modela pneumatske dizalice: ENDO ATC-60K-5 / ATC-125K-5
- nosivost 60 i 125kg
- brzina podizanja model 60kg (14, 17,5 i 20 m/min, model 125kg (6,5, 10,5 i 12 m/min)
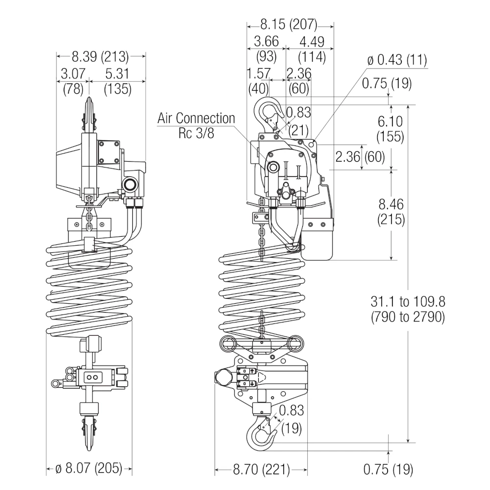
- standardna dužina teretnog lanca 3m (može se produžiti)
- teretni lancac je izrađen od legiranog čelika i ima izvrsnu žilavost i otpornost na habanje
- promjer lanca 4x12mm
- upravljačko tipkalo s dva kontrolna gumba i sigurnosnim STOP gumbom
- upravljačko tipkalo omogućuje precizno podizanje i spuštanje, brzina je podesiva
- tlak zraka 0,4-0,6 MPa
- ulaz zraka Rc 3/8
- komprimirani zrak obavezno mora biti filtriran i podmazan
- dizalica ima robusnu konstrukciju, kompaktna je i lagana, neto težina 14,3/14,5kg
- može se montirati na standardna ili pneumatska ovjesna kolica
- izgubljena visina (headroom) 790mm




