Ručni visokopodizni viličar s pomičnim vilicama
- ovaj model ručnog visokopodiznog viličara je prilagođen za prijenos i podizanje standardnih EU paleta i nestandardnih paleta, sanduka ili drugih teških predmeta
- jednostavna uporaba, povoljna cijena, bez održavanja, dobra alternativa visokopodiznim villičarima na električni pogon
- nosivost 1000kg i 1500kg
- visina podizanja 1600mm i 2500mm
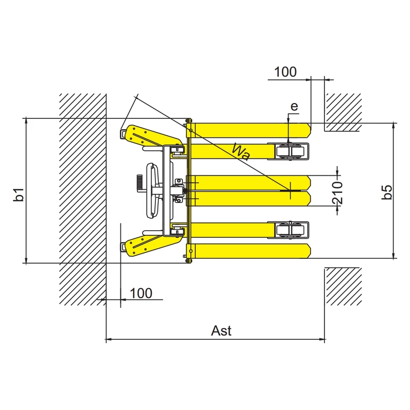
- podesive vilice od 295/310mm do 930mm
- dužina vilica 1150mm
- viličar napravljen od visokokvalitetnog čelika
- zavarene donje vilice
- najlonski kotači
- integrirane parkirne kočnice na stražnjim kotačima






