Ručni visokopodizni viličar s pomičnim kovanim vilicama
- ovaj model ručnog visokopodiznog viličara je prilagođen za prijenos i podizanje standardnih EU paleta i nestandardnih paleta, sanduka ili drugih teških predmeta
- jednostavna uporaba, povoljna cijena, bez održavanja, dobra alternativa visokopodiznim villičarima na električni pogon
- nosivost 500kg, 1000kg i 1500kg
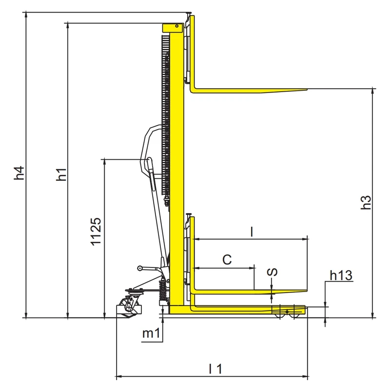
- visina podizanja 1600mm i 2500mm
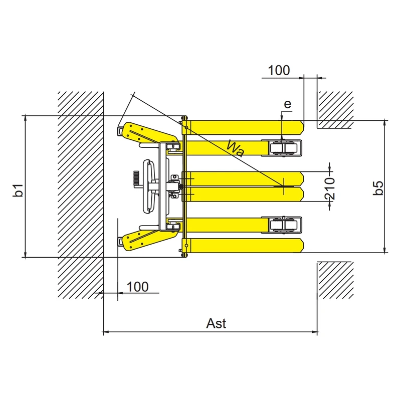
- podesive vilice raspona 200-950mm
- dužina vilica 800 ili 1060mm
- visina spuštenih vilica 90mm
- brzina podizanja po stisku pedale: modeli 500kg i 1000kg 25mm, model 1500kg 21mm
- okretni radijus 1235mm
- viličar napravljen od visokokvalitetnog čelika
- zavarene donje vilice
- najlonski kotači
- integrirane parkirne kočnice na stražnjim kotačima








